Descriptions:
This outstanding Integrated Access Controller is using the newly technolgy for providing QR barcode access control and web page access control and video photo screen shot by linking to dahua or hikvision camera.
1.Technical Parameters:
|
Model |
6401
|
6402
|
6404
|
|
Photo |
|
|
|
|
Brand Positioning |
High End tcp/ip |
||
|
Function |
For 1 door entry by card and exit by push button or both by card |
For 2 door entry by card and exit by push button or both by card |
For 4 door entry by card and exit by push button |
|
Size(mm) |
160*106 |
160*106 |
160*106 |
|
Reader Capacity |
1 pair |
2 pairs |
4 pairs |
|
Power box |
273*228*65mm 12V3-5A |
||
|
Max Reed to controller distance |
Within 100 meter and 80 meter is better |
||
|
User Capacity |
20,000 |
||
|
Record Capacity |
100,000 |
||
|
Max Distance between controller |
In the same LAN |
||
|
Work environment |
-35-40 degrees |
||
|
Standard Function: |
First card open,Multi card open, interlock,remote open,timing, fire alarm,threat alarm |
||
|
Additional |
Mobile App control, Bar Code, Web control (available in the same network ,LAN) |
||
2.Features
ARM cpu, it have very stronger fucntion. Its main function include:
Attendance / Access control / Access alarm / Fingerpint / Web function /
cell phone .
Attendance :support normal shif rules and Multi-shif rules ,this can meet variety of attendance needed.
Access control:support Time profile / password manage / anti-passback / inter lock / first card / task list .
Access alarm:support door open too long warm / door forced open / invalid card / fire alarm / Threat code / force lock
Fingerpint: support finger reader, it's better use our company Finger device, so it can use one software to manger.
Fire alarm:Fire alarm triggered , All doors are opened automatically and alarm is output at the same time
QR function:support various QR code generators
web function:support PC,tablet ,cell phone use IE or Chrome browser etc.
Cell
phone: support Android phone and Apple phone, support
WIFI/2G/3G/4G remote control,can open door at anywhere at any time via
phone!
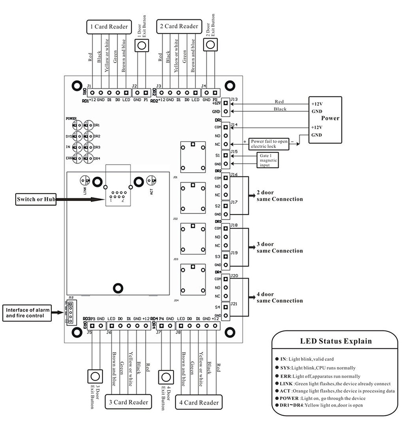
3.Wiring Diagram And the System





Contact: Tim Wu
Phone: +86 15813805304
Tel: Number Above Is For Whatsapp&Wechat
Email: infors@sintronictech.com
Add: No.3368,Pengrunda Commercial Plaza 32101,Rd Houhaibing,Haizhu District,Yuehai Street,NanShan Area,Shenzhen City,China